URL alias
/products-services/ramsa-mixer-signalprocessor/lineup/wr-dx002
Header image
Bands
Background colour
White
Section intro title
概要
Band body
- デジタル化によりハウリング抑制機能、3種類のプリセットイコライザー機能、ステレオ入力ミュート機能、4パターンのパターンメモリー機能、と多彩な機能を搭載。
- 運用中に使用する出力音量調整やパターン選択ボタンなどを1箇所に集約、わかりやすいパネルレイアウト。
- 外部制御入出力機能で外部機器からのパターン呼び出しや、映像機器などと連携した制御も可能。外部から音量調整できる4系統のVCA入力も装備。
Background colour
White
Section intro title
多彩な機能と使いやすさの追求
Band body
デジタル化によりハウリング抑制機能、3種類のプリセットイコライザー機能、ステレオ入力ミュート機能、4パターンのパターンメモリー機能、と多彩な機能を搭載。また、運用中に使用する出力音量調整やパターン選択ボタンなどを1箇所に集約、わかりやすいパネルレイアウトになっています。
Media
Media
Background colour
White
Section intro title
外部制御によるシステム性の向上
Band body
外部制御入出力機能で外部機器からのパターン呼び出しや、デジタルインターフェースボックス※により映像機器と連携した制御も可能です。外部から音量調整できる4系統のVCA入力も装備しています。
※より詳細な情報は、こちらをご覧ください。
Media
Media
Background colour
White
Section intro title
2Uの省スペース設計
Item body
デジタル化により、当社アナログミキサー(WR-X02)の半分の2Uサイズを実現。ラックやワゴンなどへ収納する際のスペース効率を大幅に向上します。
システムパッケージ例
ミキサー
ワイヤレス受信機
パワーアンプ
Media
Media
Background colour
White
Section intro title
寸法図(単位:mm)
Media
Media
Band body
背面パネル
Media
Media
Background colour
White
Section intro title
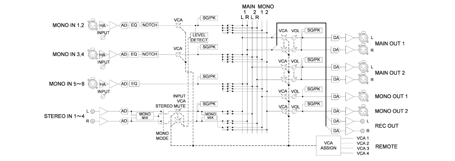
ブロックダイヤグラム
Media
Media
Background colour
White
Section intro title
音声入力/出力・機能
Wysiwyg body
| 音声入力 | モノラル入力8系統、ステレオ入力4系統 | ||
| モノラル入力 | 形式、コネクター | 電子バランス、XLR-3-31相当 | |
| 定格、最大入力 | -60~-10dBu、+8dBu | ||
| 入力インピーダンス | 10kΩ | ||
| ステレオ入力 | 形式、コネクター | 不平衡、ピンジャック | |
| 定格、最大入力 | -10dBV、+9dBV | ||
| 入力インピーダンス | 10kΩ | ||
| 音声出力 | メイン出力 2系統、モノラル出力 2系統、録音出力 1系統 (メイン出力はステレオ/モノラル切替可) |
||
| メイン出力、 モノラル出力 |
形式、コネクター | 電子バランス、XLR-3-32相当 | |
| 定格、最大出力 | +4dBu、+18dBu | ||
| 出力インピーダンス | 150Ω | ||
| 適合インピーダンス | 10kΩ以上 | ||
| 録音出力 | 形式、コネクター | 不平衡、ピンジャック | |
| 定格、最大出力- | 10dBV、+10dBV | ||
| 出力インピーダンス | 1600Ω | ||
| 適合インピーダンス | 10kΩ以上 | ||
| 機能 | ハウリングサプレッサー | 4系統(モノラル入力チャンネル1~4) バンド数:ダイナミックノッチ 4バンド |
|
| イコライザー | 搭載チャンネル:全モノラル入力チャンネル | ||
| 3モードプリセット方式 | [モード1]中高域強調(有線マイクなど使用時の明瞭度向上) | ||
| [モード2]低域強調(ハンド型ワイヤレスマイクなど使用時) | |||
| [モード3]低域および中高域強調(タイピン型ワイヤレスマイクなど使用時) | |||
| ステレオミュート | マニュアルモード/オートモード切替可(後面ディップスイッチにて) | ||
| 減衰量 -10dB/-20dB切替可(後面ディップスイッチにて) | |||
| パターンメモリー※2 | メモリー数 4個、 接点入出力制御可 | ||
| ステレオ入力 チャンネル選択※2 |
ステレオ入力チャンネルを択一選択、接点入出力制御可 | ||
Band body
0dBu=0.775Vrms 0dBV=1Vrms
※2パターンメモリー機能とステレオ入力チャンネル選択機能は択一選択
Background colour
Grey
Section intro title
関連リンク
Band body
Weight
4
PIM Series