URL alias
/products-services/ramsa-mixer-signalprocessor/lineup/wz-dm304
Bands
Background colour
White
Section intro title
概要
Item body

設備音響の調整に必要な機能を1台にパッケージング。デジタルイコライザー、不快なハウリングを抑制するハウリングサプレッサー、音の方向性を調整するディレイ機能などを搭載。1台で音響調整が可能となることを目指しました。
※ EIA(米国電子工業会):ラックと収納する機器のサイズに関する規格。1Uサイズは1.75インチ(約44.45 mm)

Media
Media
概要
Background colour
White
Section intro title
多様な構成に対応する3入力4出力
Item body

音楽ソースとマイクロホンの音を個別に調整できるステレオ・モノラルの3入力を備えています。出力も4 系統備え、サブスピーカーが必要な空間での拡声や、跳ね返りモニタースピーカー使用時のハウリング対策、またサブウーハーを用いたステレオ拡声など、多様なシステム構成に対応します。

Media
Media
背面パネル
Background colour
White
Section intro title
見やすいパネルレイアウトで操作性を向上
Item body

前面パネルの機能スイッチ配列を音声信号の流れに沿ったレイアウトにし、判りやすさや視認性を高めたパネルレイアウトにしています。設定変更する場合は、その音声系統の機能スイッチを押すことで液晶画面に現在の設定が表示され、変更が可能となります。

Media
Media
前面パネル
Background colour
White
Section intro title
運用をサポートする多彩な機能
Band body

パソコン上で各機能のパラメーター値を事前設定することや本体のデータバックアップを可能とするWZ-DM304専用の設定支援ソフトを付属。また、タッチパネルシステムやパソコンなどを使用した外部制御にも対応可能なシリアル制御入力(RS-232C)および接点制御入力(メイク接点)を搭載。施設の用途ごとの音響設定値をパターン登録することで簡単に設定を呼び出すことが可能です。パターンメモリー数は8 パターン登録可能です。

Band body

■ 設定支援ソフト(付属品)


設定支援ソフトにより、事前のデータ設定や現場での設定をグラフィカルにサポート。設定データのバックアップ機能で、類似空間・システムへの設定の簡易化も実現します。

■WZ-DM304設定支援ソフトダウンロード


WZ-DM304に付属の設定支援ソフトをお試しいただけます。

WZ-DM304設定支援ソフトダウンロードはこちらから

メディアとテキスト(最大 3)
Media
設定支援ソフト(付属品)画面イメージ
Background colour
White
Section intro title
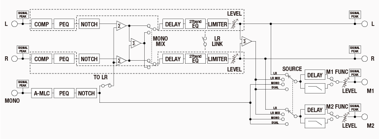
ブロックダイアグラム
Media
Media
ブロックダイアグラム
Background colour
White
Section intro title
寸法図(単位:mm)
Media
Media
WZ-DM304 寸法図
Band body

背面パネル

Media
Media
WZ-DM304 背面パネル
Background colour
Grey
Section intro title
関連リンク
Use PIM series for menu link title
On