Status
Production complete
URL alias
/products-services/security_iprobrand/lineup/af214l-af202l
Header image
Bands
Band body

* 1080p HD(High Definition)ビデオ信号またはCVBS(コンポジット映像信号)を出力することが可能な屋内ドームタイプのHDアナログカメラです。

Band intro title
フルHD解像度を出力可能
Band body

本機は 1/2.8 型 2メガピクセルCMOSセンサーを搭載したHDアナログカメラで、フルHD(1920×1080)解像度の映像出力が可能です。VIDEO OUT端子の出力信号をCVBS(コンポジット映像信号)に切り換えて使用することができます。
(※WV-AF202LにはCVBS(コンポジット映像信号)切り換え機能はありません。HD VIDEOのみの出力となります。)

Band body

Band intro title
外部電源タイプを供給
Band body

WV-AF214LはDC12 VまたはAC24 V電源のデュアル電源対応です。
WV-AF202LはDC12 Vのみで動作します。

Band body

Band intro title
赤外線照明を標準搭載、スマートIR機能を使って低照度での視認性を拡大
Band body

赤外線照明を標準搭載し、夜間は WV-AF214L 30m先、WV-AF202L 15m先まで撮影を可能にしました。 さらにスマートIR機能をONにすると、顔などが白く飛んだ画像を調整し視認可能にしました。

Band body

タイトル
<div class="UnderProductSpecTable"></div>
Band body

Band intro title
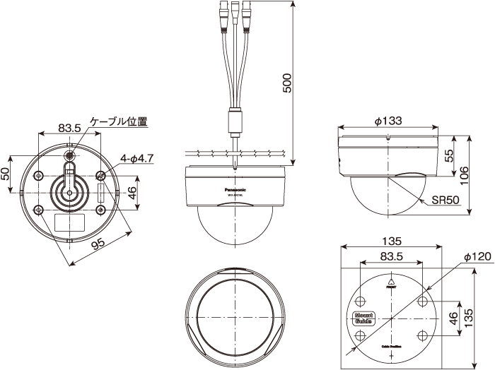
<div class="UnderProductSpecTable">寸法図(単位:mm)</div>
Band body

※取付穴等全ての寸法公差は±0.2、角度公差は±2度とする。

Column items
Media
Behaviour state
Lightbox triggered by Thumbnail
Media
寸法図
Column title
<div class="UnderProductSpecTable">WV-AF214L</div>
Media
Behaviour state
Lightbox triggered by Thumbnail
Media
寸法図
Column title
<div class="UnderProductSpecTable">WV-AF202L</div>
タイトル
<div class="UnderProductSpecTable"></div>
Band body

タイトル
<div class="UnderProductSpecTable">免責について</div>
Band body
  • この商品は、特定のエリアを対象に監視を行うための映像を得ることを目的に作られたものです。この商品単独で犯罪などを防止するものではありません。
  • i-PRO社はいかなる場合も以下に関して一切の責任を負わないものとします。
  1. 本商品に関連して直接または間接に発生した、偶発的、特殊、または結果的損害・被害
  2. お客様の誤使用や不注意による障害または本商品の破損などの不便・損害・被害
  3. お客様による本商品の分解、修理または改造が行われた場合、それに起因するかどうかにかかわらず、発生した一切の故障または不具合
  4. 本商品の故障・不具合を含む何らかの理由または原因により、映像が表示などできないことで被る不便・損害・被害
  5. 第三者の機器などと組み合わせたシステムによる不具合、あるいはその結果被る不便・損害・被害
  6. お客様による監視映像・記録が何らかの理由(ユーザー認証OFFでの使用を含む)により公となり、使用され、その結果生じた、被写体となった個人・団体などによるプライバシー侵害などを理由とする賠償請求、クレームなど

個人情報の保護について

本機を使用したシステムで撮影された本人が判別できる情報は、「個人情報の保護に関する法律」で定められた「個人情報」に該当します。
法律に従って、映像情報を適正にお取り扱いください。
※個人情報保護委員会の「個人情報の保護に関する法律についてのガイドライン(通則編)」における【個人情報に該当する事例】を参照してください。

商標および登録商標について

  • Adobe、Acrobat ReaderおよびAdobe ReaderはAdobeの商標です。
  • その他、記載されている会社名・商品名は、各会社の商標または登録商標です。

RBSS

RBSSマークは、公益社団法人日本防犯設備協会が優良な防犯機器として認定した機器に表示することができる安心マークです。

タイトル
<div class="UnderProductSpecTable"></div>
Band body

Wysiwyg body

HDアナログ監視システムのご利用注意点

Band title
<div class="UnderProductSpecTable"></div>
Background colour
White
Section intro title
<div class="UnderProductSpecTableSection">関連リンク</div>
Column items
サブタイトル
HDアナログ監視システムのご提案
Media
Media
イメージ画像:HDアナログ監視システム
Band body
Weight
7
Use PIM series for menu link title
On