Status
Production complete
URL alias
/products-services/security_iprobrand/lineup/av41l
Bands
Band intro title
フルHD解像度を出力可能
Band body
本機は 1/2.8 型 2メガピクセルCMOSセンサーを搭載したHDアナログカメラで、フルHD(1920×1080)解像度の映像出力が可能です。
VIDEO OUT端子の出力信号をCVBS(コンポジット映像信号)に切り換えて使用することができます。
Band intro title
赤外線照明を標準搭載、スマートIR機能を使って低照度での視認性を拡大
Band body
赤外線照明を標準搭載し、夜間は30 m先まで撮影を可能にしました。
さらにスマートIR機能をONにすると、顔などが白く飛んだ画像を調整し視認可能にしました。
Band intro title
IP66<sup>※1</sup>の高い防じん性と防水性を確保
Band body
現場でのカメラ本体部の防水工事が不要です(ケーブルの接続部分は防水処理が必要です)。
※1 IP66 : 外来固形物に対して「耐じん形(6)」、水に対して「暴噴流(6)」の保護がなされていることを示します。
Band intro title
IK10<sup>※2</sup>適合の高い耐衝撃性<sup>※3</sup>を実現
Band body
屋外設置で要求される衝撃に強い本体を実現しています。
※2 IK10 : 国際電気標準会議(IEC)で規定されている、耐衝撃性に関する規格で衝撃のランクを示します。
※3 耐衝撃性 : 断続的に振動が発生する場所への設置はできません。
Band intro title
電源重畳タイプを供給
タイトル
<div class="UnderProductSpecTable"></div>
Band intro title
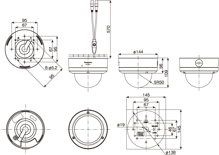
<div class="UnderProductSpecTable">寸法図(単位:mm)</div>
Band body
※取付穴等全ての寸法公差は±0.2、角度公差は±2度とする。
タイトル
<div class="UnderProductSpecTable"></div>
Band intro title
<div class="UnderProductSpecTable">免責について</div>
Band body
- この商品は、特定のエリアを対象に監視を行うための映像を得ることを目的に作られたものです。この商品単独で犯罪などを防止するものではありません。
- i-PRO社はいかなる場合も以下に関して一切の責任を負わないものとします。
- 本商品に関連して直接または間接に発生した、偶発的、特殊、または結果的損害・被害
- お客様の誤使用や不注意による障害または本商品の破損などの不便・損害・被害
- お客様による本商品の分解、修理または改造が行われた場合、それに起因するかどうかにかかわらず、発生した一切の故障または不具合
- 本商品の故障・不具合を含む何らかの理由または原因により、映像が表示などできないことで被る不便・損害・被害
- 第三者の機器などと組み合わせたシステムによる不具合、あるいはその結果被る不便・損害・被害
- お客様による監視映像・記録が何らかの理由(ユーザー認証OFFでの使用を含む)により公となり、使用され、その結果生じた、被写体となった個人・団体などによるプライバシー侵害などを理由とする賠償請求、クレームなど
個人情報の保護について
本機を使用したシステムで撮影された本人が判別できる情報は、「個人情報の保護に関する法律」で定められた「個人情報」に該当します。※
法律に従って、映像情報を適正にお取り扱いください。
※個人情報保護委員会の「個人情報の保護に関する法律についてのガイドライン(通則編)」における【個人情報に該当する事例】を参照してください。
商標および登録商標について
- Adobe、Acrobat ReaderおよびAdobe ReaderはAdobeの商標です。
- その他、記載されている会社名・商品名は、各会社の商標または登録商標です。

RBSSマークは、公益社団法人日本防犯設備協会が優良な防犯機器として認定した機器に表示することができる安心マークです。
タイトル
<div class="UnderProductSpecTable"></div>
Wysiwyg body
- HDアナログカメラをフルHD出力でご使用の場合は、i-PRO社製HDアナログディスクレコーダー WJ-HL304 / WJ-HL308 / WJ-HL316と組み合わせてご使用ください。
- フルHD出力の映像伝送方式はHD-TVI方式です。従来のコンポジット出力とは異なる映像伝送方式のため、従来の機器やモニターなどへ接続しても画像は表示されません。
既存のコンポジット入力対応機器との接続の場合はカメラ操作によってカメラの信号方式をフルHD出力からコンポジット出力に切り替える必要があります。
- 他社製HD-TVIカメラとi-PRO社製HDアナログレコーダーを接続した場合、または他社製HD-TVI対応レコーダーとi-PRO社製HDアナログカメラを接続した場合の動作保証はしていません。
- HDアナログカメラをコンポジット出力でご使用の場合、ライブ・再生における画像の縦横比が実際とは異なって表示されます。
- 既存のカメラとHDアナログディスクレコーダーの接続は、カメラをレコーダーに接続するとレコーダーがコンポジット出力を自動で認識し、新旧カメラを混在で録画することができます。
- HD アナログカメラのフルHD出力映像を分配する場合は、HD-TVI映像信号に対応した映像分配器をご使用ください。
動作検証済み映像分配器について他社製品をご覧ください。
- 同軸ケーブルの不適切な中継加工などによる反射の影響を受けて画像が表示されない場合があります。中継は正しくコネクタを用いて配線してください。
- レコーダーに音声録音機能がありますが、カメラからの音声は同軸ケーブルに重畳する機能は持っていないのでご注意ください。
- ビデオトランスや雷対策などの保護機器は対応周波数によっては使用できないものがあります。
- ツイストペアラインによるカメラの制御は従来のレコーダー同様にi-PRO社のシステムカメラで対応しています。
Band title
<div class="UnderProductSpecTable"></div>
Section intro title
<div class="UnderProductSpecTableSection">関連リンク</div>
Override in-page navigation links
Off