Status
Production complete
URL alias
/products-services/security_iprobrand/lineup/wv-sud638ux
Bands
Band intro title
厳しい屋外環境設置を可能にする機能を標準搭載
Band body

独特の流線型フォルムを採用。耐風速性能として、風速60 m/sまで動作可能、風速80 m/sまで壊れないという強靭な機構設計を実現。
●2つの画揺れ補正機能を組み合わせたハイブリッドイメージスタビライザー機能を搭載しており、強い風や、振動の多い場所に設置しても、様々な揺れの影響を軽減し、安定した映像を送出します。
●また、防塵・防水性能は JIS C 0920 保護等級 IP66 および IP67に準拠しており、強い噴流水に加え、一時的な水没にも耐えられます。使用湿度範囲は10 % ~ 100 %です。
●レンズ前面には、雨、雪、泥よごれなどを取り除き良好な視界を確保するワイパーを搭載しています。
●着霜、着氷、結露を防止するためのデフロスターを搭載し、-50 ℃の極寒環境でも前面ガラス部を暖めて撮影可能としているほか、除湿素子によりカメラ内部の水分を電気分解して外部に放出します。

アイコン:耐風速60m/s

Band body

※常時振動する場所や、振動が大きな場所には設置しないでください。
※IP66:外来固形物に対して「耐じん形(6)」、水に対して「暴噴流(6)」の保護がなされていることを示します(IEC60529/JIS C 0920)。
 IP67:外来固形物に対して「耐じん形(6)」、水に対して「水に浸しても影響がない(7)」の保護がなされていることを示します(IEC60529/JIS C 0920)。

Media
Media
画像:ハイブリッドイメージスタビライザーにより、大きな揺れと細かな揺れを補正します。
Band body

Band intro title
ISO14993<sup>※</sup> 準拠の耐重塩害仕様
Band body

外装を耐重塩害仕様とすることで腐食しにくくしています。さらに外装に露出する、金属部を締め合わせるねじに耐食処理ねじを採用し、腐食によるねじの固着をしにくくしています。(腐食に対し、万全ではありません。)

※ISO14993 : 塩水噴霧、乾燥、湿潤を繰り返すことで耐食性を評価する試験規格

Band body

【設置上のお願い】

本機器は、耐重塩害仕様として、耐塩害処理を施していますが、腐食に対して万全ではありません。
海水飛沫が直接当たらない場所に設置するなど、設置場所には十分ご配慮ください。
海浜地域および融雪剤使用地域においても雨水が当たらない場所へ設置する場合は、付着した塩分を除去するために定期的に水で洗い流すなど
清掃をお願いします。
沿岸部に設置する場合は、機器の状態を定期的に点検してください。(必要に応じて部品交換などを実施してください。)

また、以下の場所には設置しないでください。(取付部が劣化し、落下によるけがや事故の原因となります。)
・本商品・ケーブル等が容易に破壊されるような場所
・海水飛沫(塩分を含んだ水)が直接あたる場所
・温泉地帯などの硫黄ガスが吹きかかる場所
・車両や工場ライン上などの振動の多い場所
上記のほか設置の場所について詳しくは取扱説明書をご覧ください。

Band body

Band intro title
自治体の景観条例にも対応可能な環境色展開
Band body

i-PRO社の屋外対応カメラの標準色である「ナチュラルシルバー」に加え、風光明媚な景観を損ねない「ブラウン」、「グレー」仕上げも展開。
オプション品:機能拡張ユニット(IR LEDユニット)も同色展開。

Media
Media
カラー展開
Band body

Band intro title
コーデックエンジンを搭載
Band body

アイコン:FULL HD

コーデックエンジン搭載によりフルHD1920×1080p 画質で最大毎秒60フレームの映像配信出力が可能。

メディアとテキスト(最大 3)
Media
写真:10FPS,30FPS,60FPSの比較
Band body

Band intro title
スーパーダイナミック(MEGA Super Dynamic)機能を搭載
Band body

照度差の激しい被写体でも、画素単位で明るさを補正し、自然な画像で撮影できます。

Band body

Band intro title
光学30 倍ズームレンズ&高精度プリセット機能を搭載
Band body

1 台で広いエリアをモニタリングすることが可能です。2 メガピクセルモード(画像解像度1280×720)でHD EX ズーム45 倍まで可能です。

Band body

Band intro title
赤外線照明(IR LED)を搭載可能 <strong>オプション</strong> <small>※[別売]機能拡張ユニット(IR LEDユニット)取付時</small>
Band body

アイコン:赤外線照明

別売の赤外線照明は、レンズのズーム倍率に応じてIR LEDの照射角度を自動調整。 約150 m先(TELE時)まで撮影。
●IR LEDユニットを装着し速い速度でズームしたときに、画面の周囲が一時的に暗くなることがありますがカメラおよびIR LEDユニットの故障ではありません。

Hide Item
0
Media
Media
機能拡張ユニット
Hide Item
0
Band body

タイトル
<div class="UnderProductSpecTable"></div>
Band body

Hide Item
0
Band intro title
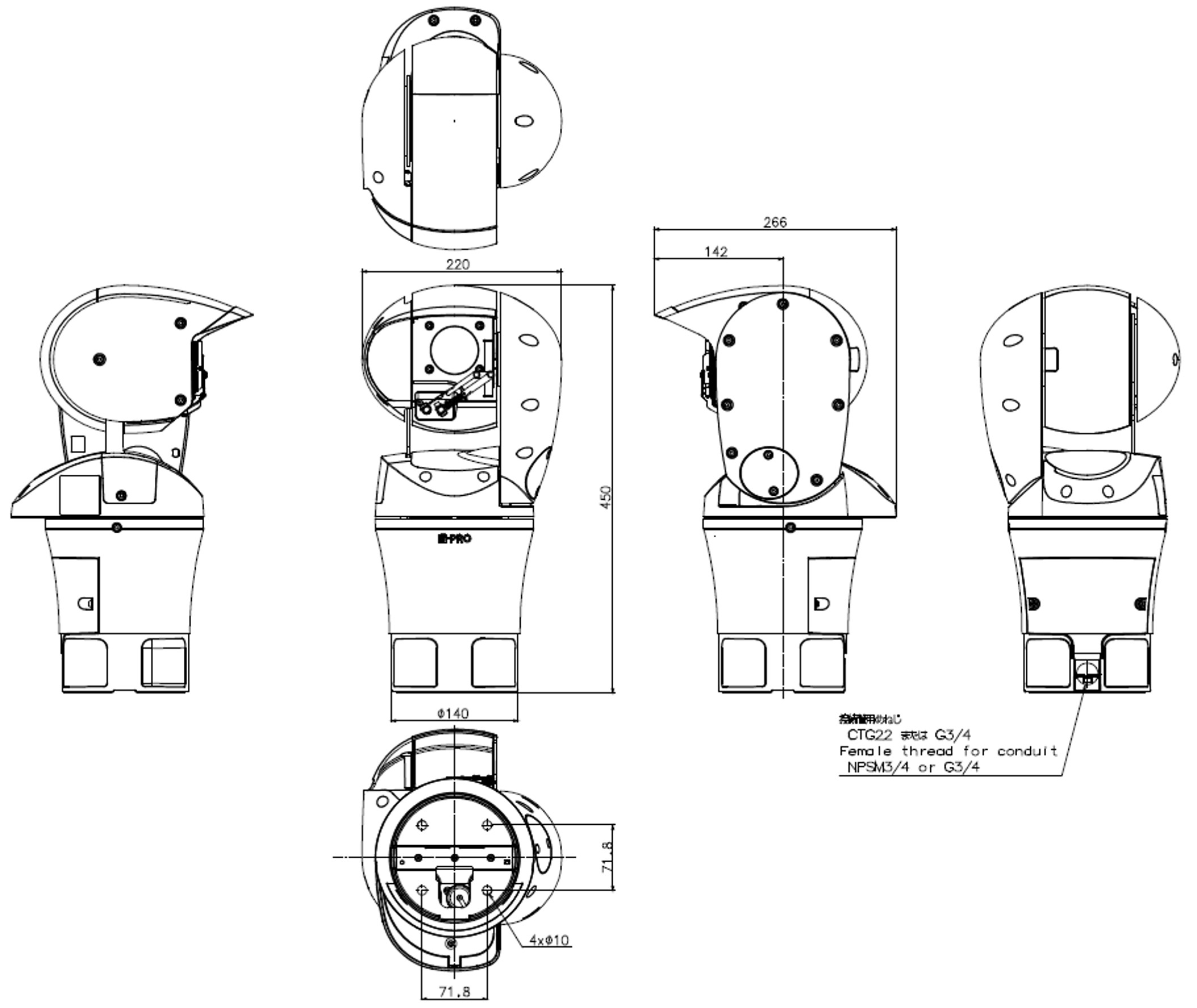
<div class="UnderProductSpecTable">寸法図(単位:mm)</div>
Band title
<div class="UnderProductSpecTable"></div>
Media
Media
寸法図
タイトル
<div class="UnderProductSpecTable"></div>
Band body

Band intro title
<div class="UnderProductSpecTable">免責について</div>
Band body
  • この商品は、特定のエリアを対象に監視を行うための映像を得ることを目的に作られたものです。この商品単独で犯罪などを防止するものではありません。
  • 弊社はいかなる場合も以下に関して一切の責任を負わないものとします。
  • 本商品に関連して直接または間接に発生した、偶発的、特殊、または結果的損害・被害
  • お客様の誤使用や不注意による障害または本商品の破損などの不便・損害・被害
  • お客様による本商品の分解、修理または改造が行われた場合、それに起因するかどうかにかかわらず、発生した一切の故障または不具合
  • 本商品の故障・不具合を含む何らかの理由または原因により、映像が表示などできないことで被る不便・損害・被害
  • 第三者の機器などと組み合わせたシステムによる不具合、あるいはその結果被る不便・損害・被害
  • お客様による監視映像・記録が何らかの理由(ユーザー認証OFFでの使用を含む)により公となり、使用され、その結果生じた、被写体となった個人・団体などによるプライバシー侵害などを理由とする賠償請求、クレームなど
  • 登録した情報内容が何らかの原因(ユーザー名、パスワードなどの認証情報を忘れたことにより本商品を初期化する場合を含む)により、消失してしまうこと
  • 個人情報の保護について

    本機を使用したシステムで撮影された本人が判別できる情報は、「個人情報の保護に関する法律」で定められた「個人情報」に該当します。
    法律に従って、映像情報を適正にお取り扱いください。
    ※個人情報保護委員会の「個人情報の保護に関する法律についてのガイドライン(通則編)」における【個人情報に該当する事例】を参照してください。

    ネットワークに関するお願い

    本機はネットワークへ接続して使用するため、以下のような被害を受けることが考えられます。

  • 本機を経由した情報の漏えいや流出
  • 悪意を持った第三者による本機の不正操作
  • 悪意を持った第三者による本機の妨害や停止
  • このような被害を防ぐため、お客様の責任の下、下記のような対策も含め、ネットワークセキュリティ対策を十分に行ってください。

  • ファイアウォールなどを使用し、安全性の確保されたネットワーク上で本機を使用する。
  • PCが接続されているシステムで本機を使用する場合、コンピューターウイルスや不正プログラムの感染に対するチェックや駆除が定期的に行われていることを確認する。
  • 不正な攻撃から守るため、ユーザー認証を利用し、ユーザー名とパスワードを設定し、ログインできるユーザーを制限する。
  • 画像データ、認証情報(ユーザー名、パスワード)、アラームメール情報、DDNSサーバー情報などをネットワーク上に漏えいさせないため、ユーザー認証でアクセスを制限するなどの対策を実施する。
  • 管理者で本機にアクセスしたあとは、必ずすべてのブラウザーを閉じる。
  • 管理者のパスワードは、定期的に変更する。また、認証情報(ユーザー名、パスワード)を第三者の目に触れないよう、適切に保管する。
  • 設置上のお願い

    以下の場所には設置しないでください。

  • 本機、ケーブルなどが容易に破壊されるような場所
  • 商標および登録商標について

  • Microsoft、Windows、およびMicrosoft Edgeは、米国Microsoft Corporationの米国およびその他の国における登録商標または商標です。
  • iPad、iPhoneは、米国およびその他の国で登録されたApple Inc.の商標です。
  • AndroidおよびGoogle ChromeはGoogle LLC の商標です。
  • Firefoxは、米国およびその他の国における Mozilla Foundation の商標です。
  • その他記載されている会社名・商品名は、各会社の商標または登録商標です。
  • ONVIF
    ONVIF®(オープンネットワークビデオインターフェース・フォーラム)はIPベースの物理セキュリティ製品向けの規格標準化を推進するフォーラムです。ONVIFが規定するProfileに適合している場合に適合したProfileのマークをつけています。ONVIFおよびONVIFロゴは、ONVIF, Inc.の登録商標です。

    RBSS
    RBSSマークは、公益社団法人日本防犯設備協会が優良な防犯機器として認定した機器に表示することができる安心マークです。

Hide Item
0
Weight
60
Use PIM series for menu link title
On