URL alias
/products-services/sp-okugai/lineup/ws-5820
Header image
Bands
Background colour
White
Section intro title
概要
Item body
  • JIS C0920 保護等級IPX3。
  • 120 °(水平)×90°(垂直)の楕円状の指向性で広い範囲に均一な音声を拡声。
  • 設置する場所に合わせて、音声の届く距離を4 段階で調整可能。
  • 屋根にも軒下にも壁面にも専用金具で直取付けできます。
Media
Media
IPX3 standard
Background colour
White
Section intro title
区分角度毎の指向性係数Q
Band body

指向特性区分および音響パワーレベルは、消防法の規定により測定された区分および値を用いています。区分角度毎の指向性係数Qは下表の通りです。

※仕様表の脚注[2]の補足

Wysiwyg body
 
区分角度 0°以上 30°未満 30°以上 45°未満 45°以上 60°未満 60°以上 90°以下
水平 4.5 3.5 2 0.8
垂直 4 2.5 1 0.4
Background colour
White
Section intro title
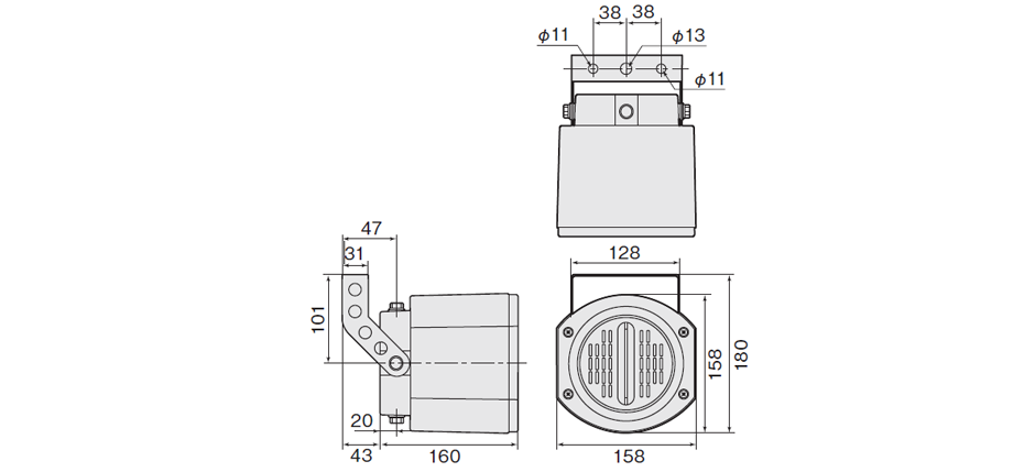
寸法図(単位:mm)
Media
Media
WS-5820
Band title
●屋根にも軒下にも壁面にも専用金具で直取付け
Media
Media
●屋根にも軒下にも壁面にも専用金具で直取付け
Band title
●金具への取付け向きにより音声が広がるエリアを選択
Media
Media
●金具への取付け向きにより音声が広がるエリアを選択
Use PIM series for menu link title
On